
美國US Digital于1980年在加利福尼亞州洛斯阿拉米托斯成立,當時創始人David Madore找不到符合其設計標準的編碼器。作為一位設計工程師,他意識到對實用、簡單、可靠且現成的光學編碼器的明顯需求。US Digital創建了一個增量編碼器,并以其用戶友好性和定價改變了運動控制行業。今天的美國數字產品就是基于這些基本原則。
我們的責任是努力將這些人才培養成生產技能,并匯集資源,將其富有成效地應用到實際解決方案中。通過良好的管理,我們努力使世界變得更美好。我們的使命是通過在球范圍內發明、制造和快速交付實用的運動控制部件,使我們的客戶取得成功。
US DIGITAL主要產品:
增量編碼器
套件編碼器
軸編碼器
空心編碼器
模塊
組件
磁盤、線性條帶和集線器磁盤
對編碼器
傾斜儀
電纜
連接器
數字顯示器
硬件
接口
電機驅動器
電源

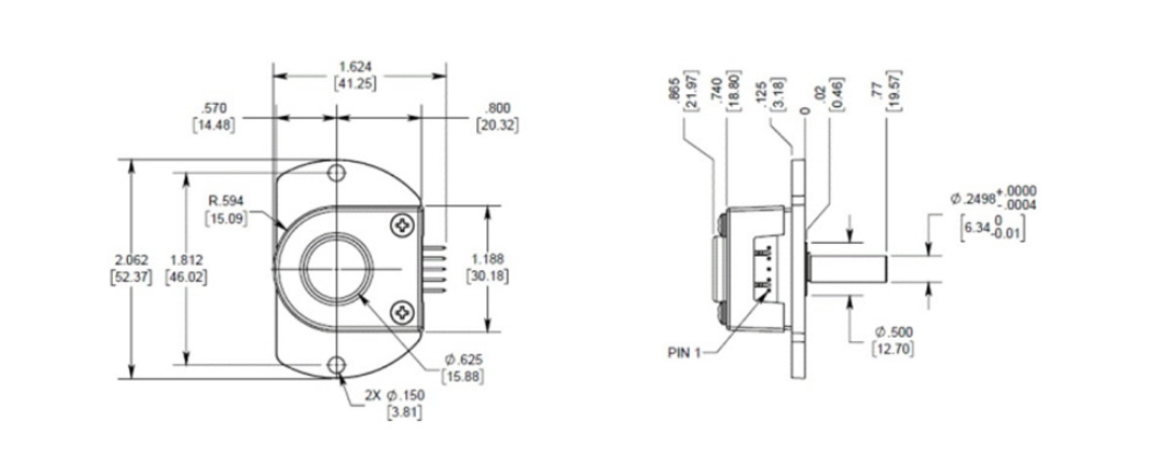
H1系列滾珠光學軸編碼器具有玻璃填充聚合物外殼。這種非接觸式旋轉數字轉換器設計用于提供數字反饋信息。H1完裝配有一根黃銅軸、兩個內徑1/4英寸、外徑1/2英寸的滾珠軸承和一個安裝板。安裝板配有2個安裝孔,用于4號尺寸的螺釘。
H1設計用于驅動長達10英尺的電纜。對于較長的電纜長度,建議添加PC4/PC5差分線路驅動器。通過5針標準連接器連接到H1系列編碼器。配合連接器可從US Digital獲得,有多種電纜選項和長度。
滾珠軸承選項可追蹤至10000 RPM
2通道正交、TTL方波輸出
某些分辨率的第三通道索引選項可用
每轉32到5000次循環(CPR)
每轉128到20000個脈沖(PPR)
寬工作溫度
單個+5VDC電源
產地:美國
加速度:max.100000 rad/sec2
軸速度(機械):max.10000 RPM
軸扭矩:max.0.05英寸-盎司
軸載荷:max.2磅。
軸承壽命:(百萬轉)=(90/P)3,其中P=徑向載荷(磅)
重量:1.49盎司。
大軸跳動:max.0.006 in.T.I.R
安裝板螺釘扭矩:(#4-40)4-6
慣性矩:0.001 oz-in-s2
工作溫度,CPR<2000:-40至100℃
工作溫度,CPR≥2000:-25至100℃
靜電放電,IEC 61000-4-2:±4 kV
振動(10Hz至2kHz,正弦):20G
沖擊(6毫秒,半正弦):75 G
